| » carucioare |
| |
| Carucioare |
|
| Gama de carucioare port-cablu Mantion permite folosirea in aplicatii multiple, in domenii diverse, precum echiparea posturilor de lucru sau integrarea in bancuri de lucru, ca suporti pentru scule. Prin integrarea unei sine anexe, carucioarele port-cablu pot echipa poduri rulante pentru utilizarea palanelor electrice sau a sistemelor de prindere. |
| |
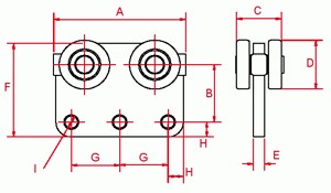
 |  |
| Profil |
Referinta |
A |
B |
C |
D |
E |
F |
G |
Forta |
Galeti |
Paliere |
| 9010 |
99711N |
25 |
27 |
20.5 |
23 |
5 |
6.5 |
5.8 |
5kg |
d |
l |
| 9010 |
9711 |
25 |
27 |
20.5 |
23 |
5 |
6.5 |
5.8 |
8kg |
d |
b |
|
| Armatura de nylon | d=delrin, a=otel, bn=bile+bandaj de nylon, bz=bronz, l=neted, b=bile, bp=bile de precizie |
|
| Carucioare |
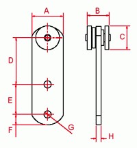
 |  |
| Profil |
Referinta |
A |
B |
C |
D |
E |
F |
G |
H |
I |
Forta |
Galeti |
Paliere |
| 9010 |
99712N |
60 |
27 |
20.5 |
23 |
5 |
44 |
22 |
7 |
6.8 |
10kg |
d |
l |
| 9010 |
9712N |
60 |
27 |
20.5 |
23 |
5 |
44 |
22 |
7 |
6.8 |
15kg |
d |
b |
|
| Armatura de nylon | d=delrin, a=otel, bn=bile+bandaj de nylon, bz=bronz, l=neted, b=bile, bp=bile de precizie |
|
| Carucioare |
 |  |
| Profil |
Referinta |
A |
B |
C |
D |
E |
F |
G |
H |
Forta |
Galeti |
Paliere |
| 9010 |
99711R |
30 |
21 |
23 |
45 |
29 |
10 |
7 |
5 |
5kg |
a |
bz |
| 9030 |
99713R |
30 |
25 |
28 |
42.5 |
29 |
10 |
7 |
6 |
20kg |
a |
bz |
|
| Armatura de otel |
d=delrin, a=otel, bn=bile+bandaj de nylon, bz=bronz, l=neted, b=bile, bp=bile de precizie |
|
| Carucioare |
 |  |
| Profil |
Referinta |
A |
B |
C |
D |
E |
F |
G |
H |
Forta |
Galeti |
Paliere |
| 9010 |
99711 |
36 |
21 |
23 |
42 |
14 |
8 |
10 |
R10 |
5kg |
d |
l |
| 9010 |
99711 |
36 |
21 |
23 |
42 |
14 |
8 |
10 |
R10 |
10kg |
a |
b |
| 9030 |
99731 |
50.6 |
25 |
28 |
49 |
16 |
8.2 |
10 |
R10 |
10kg |
d |
l |
| 9030 |
9731 |
50.6 |
25 |
28 |
49 |
16 |
8.2 |
10 |
R10 |
20kg |
a |
b |
| 9030 |
9731N |
50.6 |
25 |
28 |
49 |
16 |
8.2 |
10 |
R10 |
13kg |
bn |
b |
| 9040 |
99741 |
67 |
32 |
34 |
65 |
20 |
10.2 |
14 |
R20 |
20kg |
d |
l |
| 9040 |
9741 |
67 |
32 |
34 |
65 |
20 |
10.2 |
14 |
R20 |
35kg |
a |
b |
| 9040 |
9741S |
67 |
32 |
34 |
65 |
20 |
10.2 |
14 |
R20 |
50kg |
a |
bp |
| 9040 |
9741 |
67 |
32 |
34 |
65 |
20 |
10.2 |
14 |
R20 |
25kg |
bn |
b |
|
| Armatura de otel |
d=delrin, a=otel, bn=bile+bandaj de nylon, bz=bronz, l=neted, b=bile, bp=bile de precizie |
|
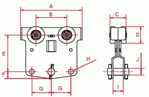
| Carucioare |
 |  |
| Profil |
Referinta |
A |
B |
C |
D |
E |
F |
G |
H |
I |
J |
K |
Forta |
Galeti |
Paliere |
| 9010 |
99712 |
87 |
49 |
20 |
22 |
50 |
13 |
21.5 |
8 |
8 |
25 |
3 |
10kg |
d |
l |
| 9010 |
9712 |
87 |
49 |
20 |
22 |
50 |
13 |
21.5 |
8 |
8 |
25 |
3 |
20kg |
a |
b |
| 9030 |
99732 |
89 |
53 |
25 |
28 |
49 |
13 |
21.5 |
8 |
10 |
25 |
4 |
20kg |
a |
bz |
| 9030 |
9732 |
89 |
53 |
25 |
28 |
49 |
13 |
21.5 |
8 |
10 |
25 |
4 |
40kg |
a |
b |
| 9030 |
9732N |
89 |
53 |
25 |
28 |
49 |
13 |
21.5 |
8 |
10 |
25 |
4 |
25kg |
bn |
b |
| 9040 |
99742 |
118 |
72 |
32 |
34 |
62 |
15 |
17 |
10 |
14 |
35 |
5 |
35kg |
d |
l |
| 9040 |
9742 |
118 |
72 |
32 |
34 |
62 |
15 |
17 |
10 |
14 |
35 |
5 |
70kg |
a |
b |
| 9040 |
9742S |
118 |
72 |
32 |
34 |
62 |
15 |
17 |
10 |
14 |
35 |
5 |
100kg |
a |
bp |
| 9040 |
9742N |
118 |
72 |
32 |
34 |
62 |
15 |
17 |
10 |
14 |
35 |
5 |
50kg |
bn |
b |
| 9050 |
99752 |
158 |
76 |
43 |
48 |
57 |
15 |
17 |
10 |
14 |
35 |
5 |
80kg |
d |
l |
| 9050 |
9752 |
158 |
76 |
43 |
48 |
57 |
15 |
17 |
10 |
14 |
35 |
5 |
160kg |
a |
b |
| 9050 |
9752S |
158 |
76 |
43 |
48 |
57 |
15 |
17 |
10 |
14 |
35 |
5 |
200kg |
a |
bp |
| 9050 |
9752N |
158 |
76 |
43 |
48 |
57 |
15 |
17 |
10 |
14 |
35 |
5 |
100kg |
bn |
b |
| 9060 |
99762 |
158 |
76 |
52 |
60 |
51 |
15 |
17 |
10 |
14 |
35 |
5 |
160kg |
d |
l |
| 9060 |
9762S |
158 |
76 |
52 |
60 |
51 |
15 |
17 |
10 |
14 |
35 |
5 |
400kg |
a |
bp |
|
| Armatura de otel |
d=delrin, a=otel, bn=bile+bandaj de nylon, bz=bronz, l=neted, b=bile, bp=bile de precizie |
| |
| Sarcina portanta a carucioarelor |
|
In tabele sunt indicate incarcarile maxime. Pentru a calcula sarcina reala admisibila F, forta utila trebuie sa fie impartita la un coeficient alpha F = Forta / alpha |
| |
| Tip |
alpha |
| utilizare normala fara socuri (deplasare manuala, 5 ore pe zi) |
1 |
| utilizare normala cu socuri usoare(deplasare manuala, 10 ore pe zi) |
1.2 |
| utilizare frecventa cu socuri usoare(deplasare manuala, 16 ore pe zi) |
1.3 |
| utilizare intensiva cu socuri sau instalatii automate, 16 ore pe zi |
2 |
|
|
| Carucioare |
 |  |
| Profil |
Referinta |
A |
B |
C |
D |
E |
F |
G |
H |
I |
J |
Forta |
Galeti |
Paliere |
| 9010 |
|
|
|
|
|
|
|
|
|
|
|
|
|
|
| 9030 |
|
|
|
|
|
|
|
|
|
|
|
|
|
|
| 9040 |
9742SP |
120 |
60 |
32 |
34 |
68 |
20 |
38 |
10 |
20 |
14 |
100kg |
a |
bp |
| 9050 |
9752SP |
120 |
60 |
43 |
48 |
68 |
20 |
38 |
10 |
20 |
14 |
200kg |
a |
bp |
| 9060 |
9762SP |
145 |
76 |
52 |
60 |
83 |
18 |
38 |
10 |
22 |
16 |
400kg |
a |
bp |
| 9070 |
|
|
|
|
|
|
|
|
|
|
|
|
|
|
|
| Armatura de otel | d=delrin, a=otel, bn=bile+bandaj de nylon, bz=bronz, l=neted, b=bile, bp=bile de precizie |
|
| Carucioare |
 |  |
| Profil |
Referinta |
A |
B |
C |
D |
E |
F |
G |
H |
I |
|
Forta |
Galeti |
Paliere |
| 9010 |
|
|
|
|
|
|
|
|
|
|
|
|
|
|
| 9030 |
|
|
|
|
|
|
|
|
|
|
|
|
|
|
| 9040 |
9742RS |
97 |
50 |
32 |
34 |
48 |
15 |
65 |
14 |
8 |
|
100kg |
a |
bp |
| 9050 |
9752RS |
128 |
65 |
43 |
48 |
66 |
20 |
90 |
18 |
10 |
|
200kg |
a |
bp |
| 9060 |
9762RS |
158 |
85 |
52 |
60 |
75 |
25 |
100 |
20 |
12 |
|
400kg |
a |
bp |
| 9070 |
|
|
|
|
|
|
|
|
|
|
|
|
|
|
|
| Armatura de otel | d=delrin, a=otel, bn=bile+bandaj de nylon, bz=bronz, l=neted, b=bile, bp=bile de precizie |
| |
| Carucioare cu articulatie |
| |
 |  |
| Profil |
Referinta |
A |
B |
C |
D |
E |
F |
G |
Forta |
Galeti |
Paliere |
| 9010 |
|
|
|
|
|
|
|
|
|
|
|
| 9030 |
9831RT |
68 |
32 |
56 |
28 |
26 |
M12 |
6 |
20kg |
a |
bp |
| 9040 |
9841RT |
72 |
41 |
65 |
34 |
35 |
M16 |
8 |
35kg |
a |
bp |
| 9050 |
9851SRT |
98 |
50 |
90 |
48 |
45 |
M20 |
10 |
100kg |
a |
bp |
| 9060 |
9861SRT |
120 |
65 |
102 |
60 |
54 |
M24 |
12 |
200kg |
a |
bp |
|
| Armatura de otel | d=delrin, a=otel, bn=bile+bandaj de nylon, bz=bronz, l=neted, b=bile, bp=bile de precizie |
| |
| Carucioare cu articulatie |
| |
 |  |
| Profil |
Referinta |
A |
B |
C |
D |
E |
F |
G |
H |
I |
Forta |
Galeti |
Paliere |
| 9010 |
|
|
|
|
|
|
|
|
|
|
|
|
|
| 9030 |
9832RT |
67 |
33 |
57 |
28 |
25 |
M12 |
6 |
71 |
37 |
40kg |
a |
bp |
| 9040 |
9842RT |
72 |
41 |
65 |
34 |
35 |
M16 |
8 |
90 |
52 |
70kg |
a |
bp |
| 9050 |
9852SRT |
98 |
50 |
90 |
48 |
45 |
M20 |
10 |
112.5 |
55 |
200kg |
a |
bp |
| 9060 |
9862SRT |
120 |
65 |
102 |
60 |
54 |
M24 |
12 |
140 |
78 |
400kg |
a |
bp |
|
| Armatura de otel | d=delrin, a=otel, bn=bile+bandaj de nylon, bz=bronz, l=neted, b=bile, bp=bile de precizie |
| |
| Carucioare |
| |
 |
 |
| Profil |
Referinta |
A |
B |
C |
D |
E |
F |
G |
H |
I |
Forta |
Galeti |
Paliere |
| 9010 |
99812 |
87 |
49 |
20 |
22 |
29 |
12 |
10 |
28 |
48 |
10kg |
d |
l |
| 9010 |
9812 |
87 |
49 |
20 |
22 |
29 |
12 |
10 |
28 |
48 |
20kg |
a |
b |
| 9030 |
99832 |
89 |
53 |
25 |
28 |
39 |
15 |
12 |
40 |
55 |
20kg |
d |
l |
| 9030 |
9832 |
89 |
53 |
25 |
28 |
39 |
15 |
12 |
40 |
55 |
40kg |
a |
b |
| 9030 |
9832N |
89 |
53 |
25 |
28 |
39 |
15 |
12 |
40 |
55 |
25kg |
bn |
b |
| 9040 |
99842 |
118 |
72 |
32 |
34 |
45 |
18 |
14 |
45 |
65 |
35kg |
d |
l |
| 9040 |
9842 |
118 |
72 |
32 |
34 |
45 |
18 |
14 |
45 |
65 |
70kg |
a |
b |
| 9040 |
9842S |
118 |
72 |
32 |
34 |
45 |
18 |
14 |
45 |
65 |
100kg |
a |
bp |
| 9040 |
9842N |
118 |
72 |
32 |
34 |
45 |
18 |
14 |
45 |
65 |
50kg |
bn |
b |
| 9050 |
99852 |
158 |
76 |
43 |
48 |
62 |
24 |
16 |
55 |
77 |
80kg |
d |
l |
| 9050 |
9852 |
158 |
76 |
43 |
48 |
62 |
24 |
16 |
55 |
77 |
160kg |
a |
b |
| 9050 |
9852S |
158 |
76 |
43 |
48 |
62 |
24 |
16 |
55 |
77 |
200kg |
a |
bp |
| 9050 |
9852N |
158 |
76 |
43 |
48 |
62 |
24 |
16 |
55 |
77 |
100kg |
bn |
b |
| 9060 |
99862 |
158 |
76 |
52 |
60 |
56 |
24 |
16 |
55 |
77 |
160kg |
d |
l |
| 9060 |
9862S |
158 |
76 |
52 |
60 |
56 |
24 |
20 |
55 |
77 |
400kg |
a |
bp |
|
| Armatura de otel | d=delrin, a=otel, bn=bile+bandaj de nylon, bz=bronz, l=neted, b=bile, bp=bile de precizie |
| |
| Carucioare |
| |
 |  |
| Profil |
Referinta |
A |
B |
C |
D |
E |
F |
G |
H |
I |
Forta |
Galeti |
Paliere |
| 9030 |
|
|
|
|
|
|
|
|
|
|
|
|
|
| 9040 |
9842SP |
97 |
50 |
32 |
34 |
65 |
8 |
18 |
65 |
18 |
150kg |
a |
bp |
| 9050 |
9852SP |
128 |
65 |
43 |
48 |
90 |
10 |
25 |
90 |
16 |
250kg |
a |
bp |
| 9060 |
9862SP |
158 |
85 |
52 |
60 |
105 |
12 |
24 |
100 |
20 |
500kg |
a |
bp |
| 9070 |
9872SP |
215 |
100 |
56 |
94 |
125 |
12 |
30 |
160 |
30 |
1000kg |
a |
bp |
|
| Armatura de otel | d=delrin, a=otel, bn=bile+bandaj de nylon, bz=bronz, l=neted, b=bile, bp=bile de precizie |
| |
| Carucioare duble cu carlig |
| |
 |  |
| Profil |
Referinta |
A |
B |
Y |
Forta |
| 9040 |
9848 |
288 |
196 |
8822S |
140kg |
| 9040 |
9848S |
288 |
196 |
8822S |
200kg |
| 9050 |
9858 |
326 |
208 |
8822S |
320kg |
| 9050 |
9858S |
326 |
208 |
8822S |
400kg |
| 9060 |
9868S |
326 |
202 |
8822S |
500kg |
|
| |
| Carucioare duble cu carlig |
| |
 |  |
| Profil |
Referinta |
A |
B |
Y |
Forta |
| 9040 |
9849 |
288 |
178 |
8821S |
140kg |
| 9040 |
9849S |
288 |
178 |
8821S |
200kg |
| 9050 |
9859 |
326 |
190 |
8821S |
320kg |
| 9050 |
9859S |
326 |
190 |
8821S |
400kg |
| 9060 |
9869S |
326 |
184 |
8821S |
500kg |
|
| |
| Carucioare cu 4 axe la 90° |
| |
 |  |
| Referinta |
A |
B |
C |
D |
E |
F |
G |
H |
I |
Forta |
Galeti |
Paliere |
|
| 9030 |
|
|
|
|
|
|
|
|
|
|
|
|
|
| 9040 |
9842SI |
155 |
50 |
32 |
34 |
48 |
46 |
15 |
25 |
12 |
100kg |
a |
bp |
| 9050 |
9852SI |
155 |
65 |
43 |
48 |
66 |
46 |
20 |
25 |
14 |
200kg |
a |
bp |
| 9060 |
|
|
|
|
|
|
|
|
|
|
|
|
|
| 9070 |
|
|
|
|
|
|
|
|
|
|
|
|
|
|
| Armatura de otel | d=delrin, a=otel, bn=bile+bandaj de nylon, bz=bronz, l=neted, b=bile, bp=bile de precizie |