» sine escamotabile
Sine escamotabile
Sina escamotabile permite realizarea sigura a trecerii traseului conveiorului prin porti. Adaptate in special instalatiilor de transport aerian utilizate pentru cabinele de vopsire, cuptoare sau a celor care fac trecerea intre interiorul si exteriorul unei incinte, ele permit inchiderea ermetica a usii, garantind totodata si un transport sigur atit timp cit usa este deschisa.
In cazul instalatiilor de transport care lucreaza in medii cu variatii mari de temperatura, sinele escamotabile se prevede folosirea impreuna cu mansoane de dilatatie.
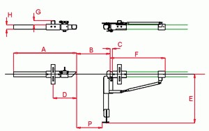
Profil Referinta A B R D E F G H P
9030                    
9040                    
9050 9500 815 435 30 300 646 710 56 60 332
9060 9600RE 830 420 30 330 655 725 60 75 304
Racorduri cu dublu efect 1/8F, distribuitorul pneumatic nu este inclus.
conveioare 
suspendate 
despre noi
domenii de aplicare
conveioare suspendate
sine
    curbe
macaze 2 cai
macaze 3 cai
macaze cu ace si basculante
placi turnante
mansoane de dilatare
elevatoare
suporti de fixare
elemente de legatura
opritori
carucioare
carucioare pentru temperaturi inalte
carlige si inele
accesorii
conveioare suspendate motorizate
contact